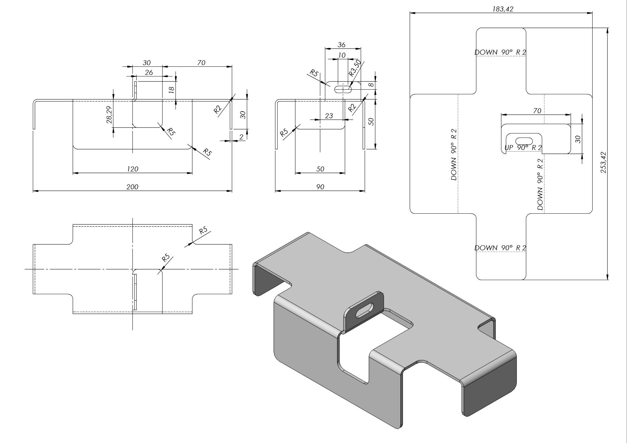
طراحی تخصصی ورقکاری یا اصطلاحا شیت متال (Sheet Metal) با نرم افزار تخصصی، جهت نمونه سازی و مهندسی معکوس. در صورتی که شما ایده و یا نمونه ای برای تولید دارید ، در اولین گام این ایده در محیط نرم افزاری ، در واحد مهندسی فلزکار متبلور خواهد شد.

طراحی تخصصی ورقکاری یا اصطلاحا شیت متال (Sheet Metal) با نرم افزار تخصصی، جهت نمونه سازی و مهندسی معکوس. در صورتی که شما ایده و یا نمونه ای برای تولید دارید ، در اولین گام این ایده در محیط نرم افزاری ، در واحد مهندسی فلزکار متبلور خواهد شد.
